环境举措
站点地图
Japanese
English
Chinese
型号(半角英文数字、可部分一致)
内容
主页
产品信息
顾客支持
公司信息
下载
咨询
主页
产品信息
手动平台
固定平台
X・XY・Z升降平台
X・XY・Z升降平台
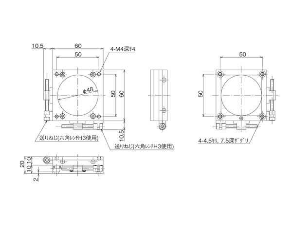
LD-P6051FX
1
穿透型XY 轴固定平台 60×60
移动量
±5.5mm
平台面
60mm×60mm
产品资料
▲PAGE TOP
特长
无夹紧、位置调整后不再动的平台。
利用特殊机构防止背隙。
位置调整使用六角扳手。※ 六角扳手不附带。请顾客准备。
也能支持特殊形状的扳手(选购)代替六角扳手。
比起总是需要调整位置的工件,最适合相机、传感器等调整位置后就不希望移动的工件。
平台中心是穿透孔。
不仅水平安装,垂直・逆向安装皆可。
※ 根据安装方向不同,承重有限制。详情欢迎咨询。
▲PAGE TOP
规格
移动方向
XY 轴2 方向
平台面
60mm×60mm
夹紧方式
无夹紧
进给方式
进给丝杆P=0.7mm
移动量
±5.5mm
移动导轨
配研
平行度
0.2mm
承重
24.5N(2.5kgf)
质量
0.12kg
主要材质/表面处理
铝合金/ 黑色氧化铝处理梨皮底
补充资料
取得专利(日本)
▲PAGE TOP
▲PAGE TOP
手动平台
固定平台
X・XY・Z升降平台
旋转平台・倾斜平台
薄型VB平台
微型平台
丝杆式平台
齿条齿轮平台
高级平台
细窄平台、交叉滚柱平台
Z升降平台、Z平台
旋转平台
倾斜平台
倾斜旋转平台
XZ、YZ、XYZ平台
垫块、支架、其他
自动平台・执行器
显微镜用自动化产品
自动对焦系统
光学底座
光学附件
光学元件
工作显微镜(TOOL SCOPE)
测量机
技术信息
推荐信息
产品信息
手动平台
自动平台
显微镜用自动化产品
光学元件
光学附件
光学底座
工作显微镜(TOOL SCOPE)
测量机
技术信息
顾客支持
咨询表格
常见问题(FAQ)
关于产品的保修
技术信息
下载
出口合规判定书
体系图、解说页的PDF
咨询
咨询表格
常见问题(FAQ)
公司信息
致辞(社长致辞)
公司简介
发展历程
事业所介绍
NEWS
中央精机的通知
活动介绍