环境举措
站点地图
Japanese
English
Chinese
型号(半角英文数字、可部分一致)
内容
主页
产品信息
顾客支持
公司信息
下载
咨询
主页
产品信息
工作显微镜(TOOL SCOPE)
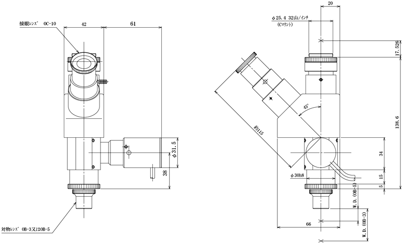
TOOL SCOPE 目镜+C卡口型
TOOL SCOPE WL型镜筒
TOOL SCOPE WL型镜筒
TS-WLC-3-10-6
1
WL型镜筒 物镜3目镜10圆环
镜筒的种类
倾斜角45°、带TV 镜筒、LED 内置落射照明式
物镜
OB-3
目镜
OC-10 视野可能有欠缺。
产品资料
▲PAGE TOP
特长
照明装置是白色LED 光源的产品。
用目镜观察的同时,能在电视监视器上显示观察像。(C 卡口相机、电视监视器等另外购买。)
请指定物镜、目镜、刻度板。组装后出厂。
可以无物镜、无目镜、无刻度板等。请咨询。
TOOL SCOPE 是中央精机株式会社的注册商标。
▲PAGE TOP
规格
镜筒的种类
倾斜角45°、带TV 镜筒、LED 内置落射照明式
机械筒长
163mm
物镜
OB-3
目镜
OC-10 视野可能有欠缺。
刻度板
圆环(1刻度0.5mm)
综合倍率
30×
动作距离(Working Distance)
34 mm
实际视野
φ6mm
光源
白色LED、照明电缆长1.8m
电源
专用电源TS-EP2A、 带AC 适配器(电缆长1.8m)
C卡口
32 牙/25.4mm、法兰焦点距离17.526mm
质量
镜筒 0.6kg、电源 0.5kg、AC 适配器 0.1kg
补充资料
※ 实际视野(Field of View):实际可观察到的试料的范围。目镜的视野数(用目镜可观察到的物镜的像的范围)除以物镜倍率的值。
※ 动作距离(Working Distance):将焦点对准试料时物镜前端到试料的距离。
※ 综合倍率是将组合的物镜、目镜各自的倍率相乘后的值。
※ 综合倍率是在工作显微镜(机械筒长163mm)上的组合。
▲PAGE TOP
镜头倍率组合表
▲PAGE TOP
刻度板尺寸
▲PAGE TOP
手动平台
自动平台・执行器
显微镜用自动化产品
自动对焦系统
光学底座
光学附件
光学元件
工作显微镜(TOOL SCOPE)
TOOL SCOPE
TOOL SCOPE C卡口型
TOOL SCOPE 目镜+C卡口型
TOOL SCOPE WL型镜筒
刻度板
目镜
物镜
TV适配器
座
定心显微镜
VELNUS
照明装置
测量机
技术信息
推荐信息
产品信息
手动平台
自动平台
显微镜用自动化产品
光学元件
光学附件
光学底座
工作显微镜(TOOL SCOPE)
测量机
技术信息
顾客支持
咨询表格
常见问题(FAQ)
关于产品的保修
技术信息
下载
出口合规判定书
体系图、解说页的PDF
咨询
咨询表格
常见问题(FAQ)
公司信息
致辞(社长致辞)
公司简介
发展历程
事业所介绍
NEWS
中央精机的通知
活动介绍