环境举措
站点地图
Japanese
English
Chinese
型号(半角英文数字、可部分一致)
内容
主页
产品信息
顾客支持
公司信息
下载
咨询
主页
产品信息
手动平台
高级平台
XYZ平台
XYZ平台
LT-7047-S1
1
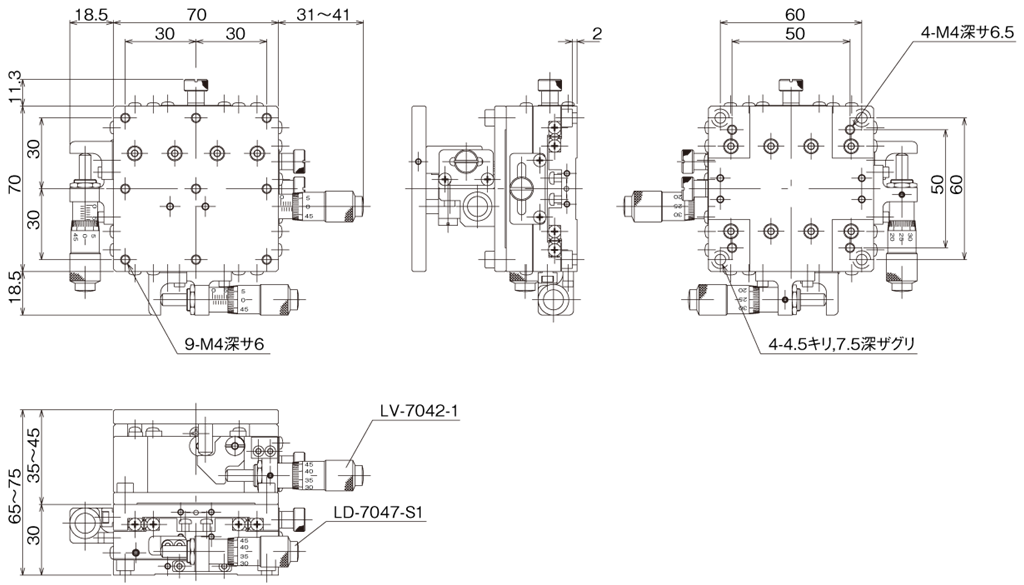
高级铝合金XYZ 平台 70×70(标准型)
移动量
XY 轴±6.5mm、Z 轴0 ~ 10mm
平台面
70mm×70mm
产品资料
▲PAGE TOP
特长
组合了高级铝合金XY 平台与高级Z 升降平台的XYZ 平台。
有标准型、对称型,可左右对称构成。
可广泛用于相机、传感器、工件等的精密定位用途。
※ Z 平台不是左右对称。详细内容见各产品的外观图。
▲PAGE TOP
规格
平台面
70mm×70mm
夹紧方式
板夹
操作部安装位置
XY 轴 侧面
进给方式
CMH-13RM(各轴标准千分尺)
移动量
XY 轴±6.5mm、Z 轴0 ~ 10mm
移动量/ 旋钮1 圈
各轴0.5mm
分度值
千分尺式0.01mm
灵敏度
3 μm
移动导轨
HG-VCR 方式(V 型槽与交叉滚柱)
移动精度HV
真直度 XY轴2 μm、Z轴5 μm
XY正交度
10 μm
承重
29.4N(3kgf)
质量
0.90kg
主要材质/表面处理
XY 轴 铝合金/ 黑色氧化铝处理梨皮底、Z 轴 不锈钢、铝合金/ 黑色氧化铬、黑色氧化铝处理梨皮底
▲PAGE TOP
▲PAGE TOP
手动平台
固定平台
薄型VB平台
微型平台
丝杆式平台
齿条齿轮平台
高级平台
X平台
XY平台
Z平台
Z升降平台
旋转平台
XYZ平台
XYZ旋转平台
细窄平台、交叉滚柱平台
Z升降平台、Z平台
旋转平台
倾斜平台
倾斜旋转平台
XZ、YZ、XYZ平台
垫块、支架、其他
自动平台・执行器
显微镜用自动化产品
自动对焦系统
光学底座
光学附件
光学元件
工作显微镜(TOOL SCOPE)
测量机
技术信息
推荐信息
产品信息
手动平台
自动平台
显微镜用自动化产品
光学元件
光学附件
光学底座
工作显微镜(TOOL SCOPE)
测量机
技术信息
顾客支持
咨询表格
常见问题(FAQ)
关于产品的保修
技术信息
下载
出口合规判定书
体系图、解说页的PDF
咨询
咨询表格
常见问题(FAQ)
公司信息
致辞(社长致辞)
公司简介
发展历程
事业所介绍
NEWS
中央精机的通知
活动介绍