环境举措
站点地图
Japanese
English
Chinese
型号(半角英文数字、可部分一致)
内容
主页
产品信息
顾客支持
公司信息
下载
咨询
主页
产品信息
自动平台・执行器
滚珠导套平台
滚珠导套平台
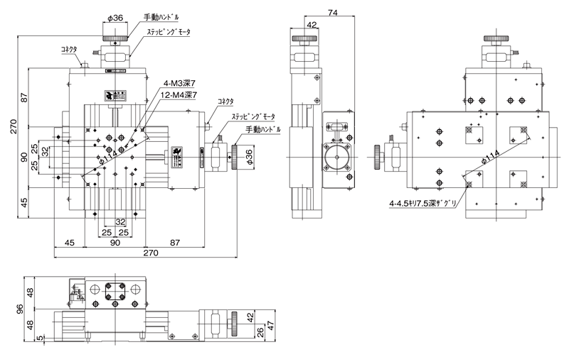
ALD-906-E1P
1
XY 平台
移动方向
XY 轴2 方向
移动量
±30mm
平台面
90mm×90mm
产品资料
▲PAGE TOP
特长
移动导轨使用滚珠导套的中精度自动XY 平台。
可用于各种传感器、工件的自动定位用途。
点前传感器及限位传感器的位置可调。
▲PAGE TOP
规格
移动方向
XY 轴2 方向
移动量
±30mm
平台面
90mm×90mm
使用马达
与PK543NBW 相当(5 线式星形接线、0.75A/ 相)
分辨率
2 μm
进给丝杆规格
滚珠丝杆
进给丝杆导程
1mm
移动导轨
滚珠导套
移动精度HV
真直度(水平・垂直)50 μm
定位精度
50 μm(无负荷时)、150 μm(4kg 负荷时)
重复精度
±3 μm
空程
10 μm
XY正交度
60 μm
承重
78.4N(8kgf)
质量
5kg
最高速度
16mm/s(8,000pps 时)
主要材质/表面处理
铝合金/ 白色氧化铝处理梨皮底
原点传感器
常开接点(闭合接点、A 接点)动作、光学传感器
原点前传感器
常闭接点(断开接点、B 接点)动作、光学传感器
限位传感器
常闭接点(断开接点、B 接点)动作、光学传感器
适合电缆
ACB-STD2、ACB-STD3
▲PAGE TOP
连接方法
―连接电缆与控制器驱动器―
传感器动作逻辑与时序图
▲PAGE TOP
手动平台
自动平台・执行器
高级平台
微型扫描平台
□30小型平台
交叉滚柱平台
滚珠导套平台
滚珠滑道平台
高精度高刚性平台
Z升降平台
倾斜平台
校准平台
控制器驱动器
各种电缆
显微镜用自动化产品
自动对焦系统
光学底座
光学附件
光学元件
工作显微镜(TOOL SCOPE)
测量机
技术信息
推荐信息
产品信息
手动平台
自动平台
显微镜用自动化产品
光学元件
光学附件
光学底座
工作显微镜(TOOL SCOPE)
测量机
技术信息
顾客支持
咨询表格
常见问题(FAQ)
关于产品的保修
技术信息
下载
出口合规判定书
体系图、解说页的PDF
咨询
咨询表格
常见问题(FAQ)
公司信息
致辞(社长致辞)
公司简介
发展历程
事业所介绍
NEWS
中央精机的通知
活动介绍