X Stages

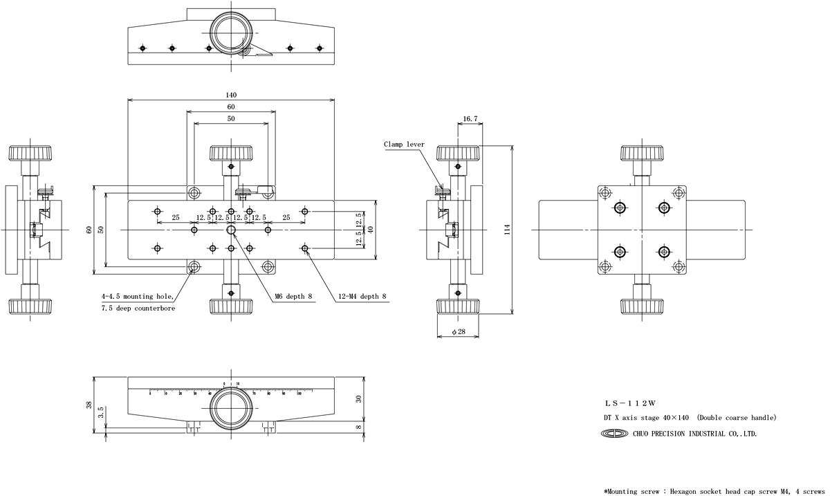
LS-112W

1
DT X axis stage 40 x 140 (Double coarse handle)
Estimate separately
Travel +/-50 mm
Table size 40 mm x 140 mm
YESRoHS対応状況

Product documentation

Description

Manual stage by using a dovetail groove (D-T method) for the moving guide.
A rack and pinion is used for the transfer method to achieve a long travel.
It is widely used for positioning applications such as cameras and sensors.
It can be fixed in any position using a lever type clamp with high holding power.

Specifications

Direction of travel X axis one direction
Table size 40 mm x 140 mm
Clamp method Lever type
Mounting position Double coarse handle
Transfer mechanism Rack and pinion
Travel +/-50 mm
Lead of actuator Approx. 18 mm
Scale interval 0.1 mm
Minimum resolution 0.1 mm
Guiding method Dovetail
Travel accuracy Straightness 30 μm
Moment rigidity Pitching rigidity 0.4 sec/N・cm, Rolling rigidity 0.1 sec/N・cm
Parallelism 80 μm
Parallelism of motion 60 μm
Load capacity 39.2 N (4 kgf)
Weight 0.58 kg
Material / Surface treatment Aluminum alloy/Black Alumite
Standard accessories Mounting screw : Hexagon socket head cap screw M4, 4 screws

Supplementation