X Stages

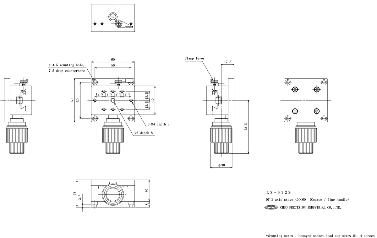
LS-612S

1
DT X axis stage 40 x 60 (Coarse/finehandle)
Estimate separately
Travel +/-15 mm
Table size 40 mm x 60 mm
YESRoHS対応状況

Product documentation

Description

Manual stage by using a dovetail groove (D-T method) for the moving guide.
A rack and pinion is used for the transfer method to achieve a long travel.
It is widely used for positioning applications such as cameras and sensors.
It can be fixed in any position using a lever type clamp with high holding power.

Specifications

Direction of travel X axis one direction
Table size 40 mm x 60 mm
Clamp method Lever type
Mounting position Coarse / fine handle
Transfer mechanism Rack and pinion
Travel +/-15 mm
Lead of actuator Coarse approx. 25.5 mm, fine approx. 3.3 mm
Scale interval 0.1 mm
Minimum resolution 0.1 mm
Guiding method Dovetail
Travel accuracy Straightness 30 μm
Moment rigidity Pitching rigidity 0.6 sec/N・cm, Rolling rigidity 0.2 sec/N・cm
Parallelism 60 μm
Parallelism of motion 40 μm
Load capacity 39.2 N (4 kgf)
Weight 0.38 kg
Material / Surface treatment Aluminum alloy/Black Alumite
Standard accessories Mounting screw : Hexagon socket head cap screw M4, 4 screws

Supplementation