X Stages

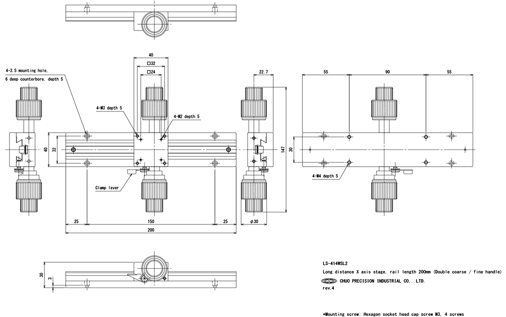
LS-414WSL2

1
Long distance X axis stage, rail length 200mm (Double coarse/fine handle)
Estimate separately
Travel Rail-travel 160 mm
Table size 40 mm x 40 mm
YESRoHS対応状況

Product documentation

Description

Long travel range stage by using a dovetail groove (D-T method) for the moving guide.
It is widely used for positioning applications such as cameras and sensors.
You can add blocks to one rail or place multiple mobile units.It can be fixed in any position using a lever type clamp with high holding power.
A 1000 mm length memory sticker with 1 mm scale and index sticker are included. It can be pasted in any position.

Specifications

Direction of travel X axis one direction
Table size 40 mm x 40 mm
Clamp method Lever type
Mounting position Double coarse / fine handle
Transfer mechanism Rack and pinion
Travel Rail-travel 160 mm
Lead of actuator Coarse approx. 25.5 mm, fine approx. 3.3 mm
Scale interval 1 mm
Minimum resolution 0.1 mm
Guiding method Dovetail
Travel accuracy Straightness 0.1 mm
Load capacity 29.4 N (3 kgf)
Weight 0.56 kg
Material / Surface treatment Aluminum alloy/Black Alumite
Standard accessories Mounting screw : Hexagon socket head cap screw M3, 4 screws

Supplementation