X Stages

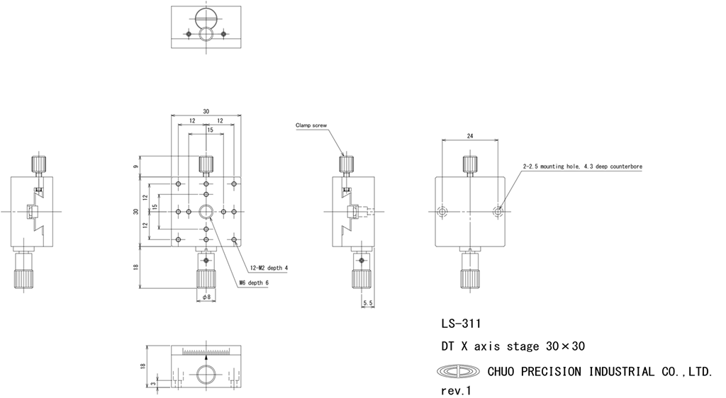
LS-311

1
DT X axis stage 30 x 30
Estimate separately
Travel +/-8 mm
Table size 30 mm x 30 mm
YESRoHS対応状況

Product documentation

Description

Manual stage by using a dovetail groove (D-T method) for the moving guide.
A rack and pinion is used for the transfer method to achieve a long travel.
It is widely used for positioning applications such as cameras and sensors.

Specifications

Direction of travel X axis one direction
Table size 30 mm x 30 mm
Clamp method Screw knob
Mounting position Side, single handle
Transfer mechanism Rack and pinion
Travel +/-8 mm
Lead of actuator Approx. 18 mm
Scale interval 1 mm
Minimum resolution 0.5 mm
Guiding method Dovetail
Travel accuracy Straightness 30 μm
Load capacity 4.9 N (0.5 kgf)
Weight 0.11 kg
Material / Surface treatment Aluminum alloy/Black Alumite
Standard accessories Mounting screw : Hexagon socket head cap screw M2, 2 screws

Supplementation