Career
Approaches to environmental issues
Site Map
JP
EN
CN
Search by products
Search by articles
Product Information
Customer Support
Download
Corporate Profile
Contact us
HOME
Product Information
Manual Stages
Z Lift Stages
Z Lift Stages
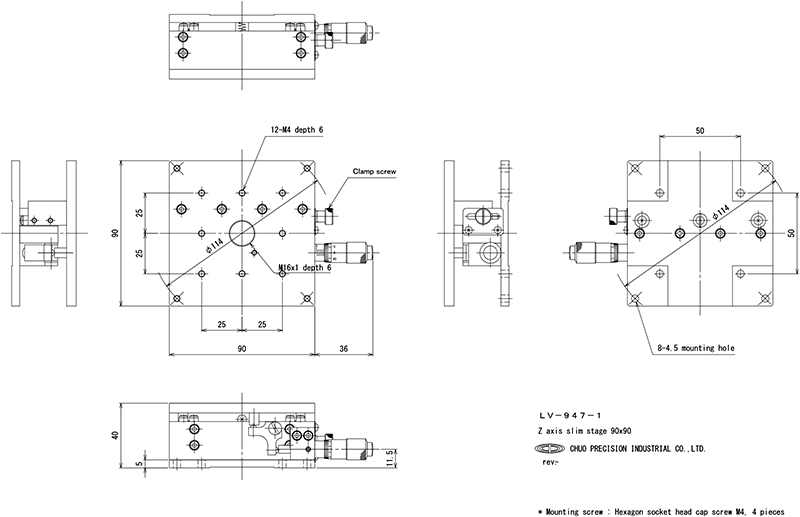
LV-947-1
0
Z axis slim stage 90 x 90
Estimate separately
Travel
0 to 10 mm
Table size
90 mm x 90 mm
YES
Product documentation
YES
▲PAGE TOP
Description
Thin and lightweight Z lift stage.
It is widely used for precision positioning applications such as cameras, sensors, and workpieces.
▲PAGE TOP
Specifications
Direction of travel
Z axis one direction
Table size
90 mm x 90 mm
Clamp method
Clamp plate
Transfer mechanism
CMH-13FM (Standard micrometer head)
Travel
0 to 10 mm
Lead of actuator
0.5 mm
Scale interval
Micrometer head 0.01 mm
Minimum resolution
3 μm
Guiding method
HG-VCR (V-groove and cross rollers)
Travel accuracy
Straightness (horizontal and vertical) 8 μm
Load capacity
49 N (5 kgf)
Weight
0.4 kg
Material / Surface treatment
Aluminum alloy/Black Alumite
Standard accessories
Inspection certificate
Mounting screw : Hexagon socket head cap screw M4, 4 screws
▲PAGE TOP
Supplementation
▲PAGE TOP
Recommended Products
Manual Stages
X Stages
XY Stages
Z Lift Stages
Z Stages
Rotary Stages
Goniometer Stages, Tilt Stages
Tilt and Rotary Stages
XZ and YZ Stages
XYZ Stages
XYZ Rotary Stages
Fix Stages
Absorption Plates
Spacer, Brackets, and Others
Motorized Stages &
Actuators
Automation Product for Microscopes
Optics
Optical Accessories
Bases & Optical Experiments
Microscopes & Tool Scopes
Measuring Instruments & Others
Technical Information
Manual Stages
Motorized Stages & Actuators
Automation Product for Microscopes
Optics
Optical Accessories
Bases & Optical Experiments
Microscopes & Tool Scopes
Measuring Instruments & Others
Technical Information
Inquiries form
Privacy Policy
FAQ's
Product Warranty
Technical Information
Application
Sample Program
Parameter Sheet
Inquiries form
Privacy Policy
FAQ's
Message from President
Corporate Profile
Company History
Locations
Organization
Affiliates & Subsidiaries
Career
News Releases
Event Guide