Z Stages

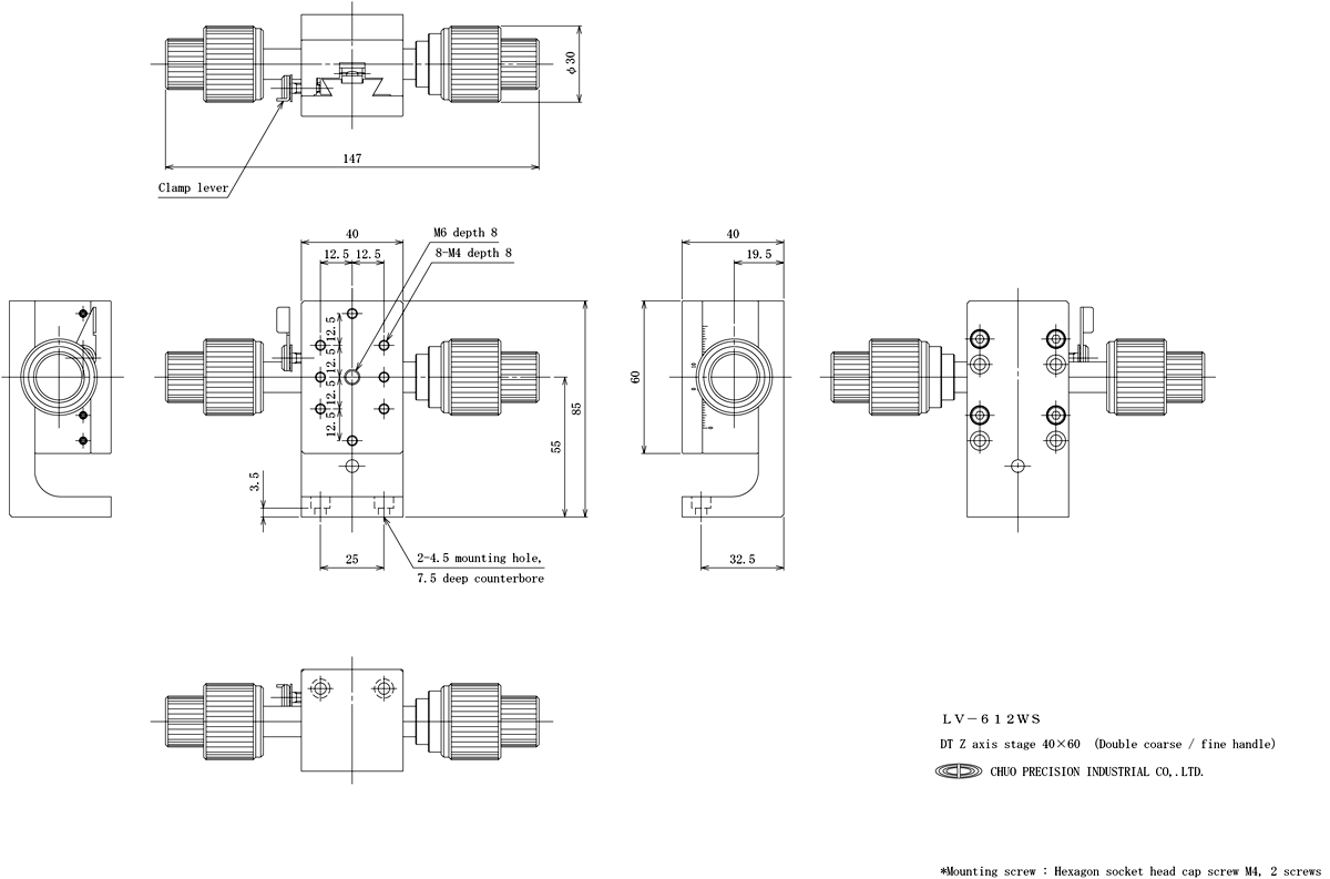
LV-612WS

1
DT Z axis stage 40 x 60 (Double coarse/fine handle)
Estimate separately
Travel +/-15 mm
Table size 40 mm x 60 mm
YESRoHS対応状況

Product documentation

Description

Manual stage by using a dovetail groove (D-T method) for the moving guide.
A rack and pinion is used for the transfer method to achieve a long travel.
It is widely used for positioning applications such as cameras and sensors.
It can be fixed in any position using a lever type clamp with high holding power.

Specifications

Direction of travel Z axis one direction
Table size 40 mm x 60 mm
Clamp method Lever type
Mounting position Double coarse / fine handle
Transfer mechanism Rack and pinion
Travel +/-15 mm
Lead of actuator Coarse approx. 25.5 mm, fine approx. 3.3 mm
Scale interval 0.1 mm
Minimum resolution 0.1 mm
Guiding method Dovetail
Travel accuracy Straightness 30 μm
Load capacity 19.6 N (2 kgf)
Weight 0.48 kg
Material / Surface treatment Aluminum alloy/Black Alumite
Standard accessories Mounting screw : Hexagon socket head cap screw M4, 2 screws