XZ and YZ Stages

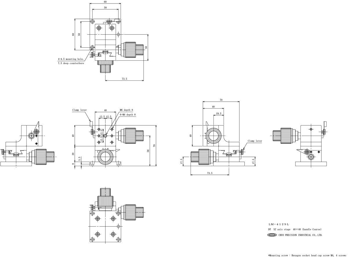
LM-412SL

1
DT XZ axis stage 40 x 40 (Coarse/fine handle)
Estimate separately
Travel X axis +/-10 mm, Z axis 10 mm
Table size 40 mm x 40 mm
YESRoHS対応状況

Product documentation

Description

Manual stage by using a dovetail groove (D-T method) for the moving guide.
A rack and pinion is used for the transfer method to achieve a long travel.
It is widely used for positioning applications such as cameras and sensors.
It can be fixed in any position using a lever type clamp with high holding power.
LM-412SL is a short Z bracket model.

Specifications

Direction of travel XZ axis two directions
Table size 40 mm x 40 mm
Clamp method Lever type
Transfer mechanism Rack and Pinion
Travel X axis +/-10 mm, Z axis 10 mm
Lead of actuator Coarse approx. 25.5 mm, fine approx. 3.3 mm
Scale interval Vernier reading 0.1 mm
Minimum resolution 0.1 mm
Guiding method Dovetail
Load capacity 19.6 N (2 kgf)
Weight 0.61 kg
Material / Surface treatment Aluminum alloy/Black Alumite