Fix Stages

LD-1251FX

1
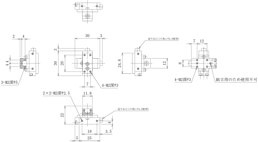
XY axis Fix stage
Estimate separately
Travel +/-1.5 mm
Table size 11.8 mm x 24.8 mm
YESRoHS対応状況

Product documentation

Description

No clamp mechanism and not to move after positioning.
Remarkably small backlash by self-rock mechanism.
Positioning by hexagonal wrench.
*Hexagonal wrench is not standard accessory. Please prepare by user.
Good for an application not to change the position frequently such as camera and / or sensor.
Applicable not only for horizontal mount but also for vertical and ceiling-mount.
*Patented technology.
*Allowable load capacity is depend upon the mounting orientation. Please inquire for details.

Specifications

Table size 11.8 mm x 24.8 mm
Clamp method Clampless (natural lock)
Transfer mechanism Feed screw P=0.5 mm
Travel +/-1.5 mm
Lead of actuator Approx. 0.5 mm
Guiding method Sliding guide
Parallelism 0.075 mm
Load capacity 4.9 N (0.5 kgf)
Weight 0.02 kg
Standard accessories -
Supplemental note Patent in Japan.