Fix Stages

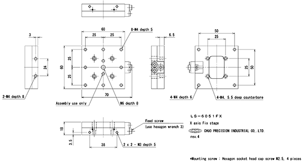
LS-6051FX

1
X axis Fix stage
Estimate separately
Travel +/-5.5 mm
Table size 60 mm x 60 mm
YESRoHS対応状況

Product documentation

Description

No clamp mechanism and not to move after positioning.
Remarkably small backlash by self-rock mechanism.
Positioning by hexagonal wrench.
*Hexagonal wrench is not standard accessory. Please prepare by user.
Good for an application not to change the position frequently such as camera and / or sensor.
Applicable not only for horizontal mount but also for vertical and ceiling-mount.
*Patented technology.
*Allowable load capacity is depend upon the mounting orientation. Please inquire for details.

Specifications

Table size 60 mm x 60 mm
Clamp method Clampless (natural lock)
Transfer mechanism Feed screw P=0.7 mm
Travel +/-5.5 mm
Lead of actuator Approx. 0.7 mm
Guiding method Sliding guide
Parallelism 0.05 mm
Load capacity 58.8 N (6 kgf)
Weight 0.19 kg
Standard accessories Mounting screw : Hexagon socket head cap screw M2.5, 4 screws
Supplemental note Patent in Japan.