Fix Stages

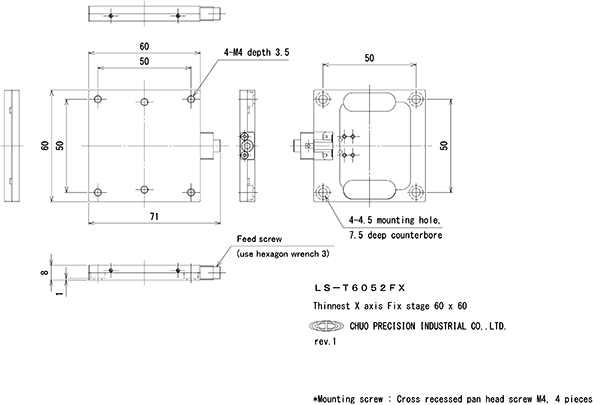
LS-T6052FX

1
Thinnest X axis Fix stage
Estimate separately
Travel +/-5.5 mm
Table size 60 mm x 60 mm
YESRoHS対応状況

Product documentation

Description

No clamp mechanism and not to move after positioning.
Remarkably small backlash by self-rock mechanism.
Positioning by hexagonal wrench.
*Hexagonal wrench is not standard accessory. Please prepare by user.
Good for an application not to change the position frequently such as camera and / or sensor.
One axis positioning stage as thin as mounting plate (8mm).
Head of feed screw is allocated at the center of the stage and realized ledge less design. Good for small space.
Applicable not only for horizontal mount but also for vertical and ceiling-mount.
*Patented technology.
*Allowable load capacity is depend upon the mounting orientation. Please inquire for details.

Specifications

Table size 60 mm x 60 mm
Clamp method Clampless (natural lock)
Transfer mechanism Feed screw P=0.7 mm
Travel +/-5.5 mm
Lead of actuator Approx. 0.7 mm
Guiding method Sliding guide
Parallelism 0.1 mm
Load capacity 24.5 N (2.5 kgf)
Weight 0.08 kg
Standard accessories Mounting screw : Cross recessed head machine screw M4, 4 pieces
Supplemental note Patent in Japan.