Fix Stages

TD-2551FX

1
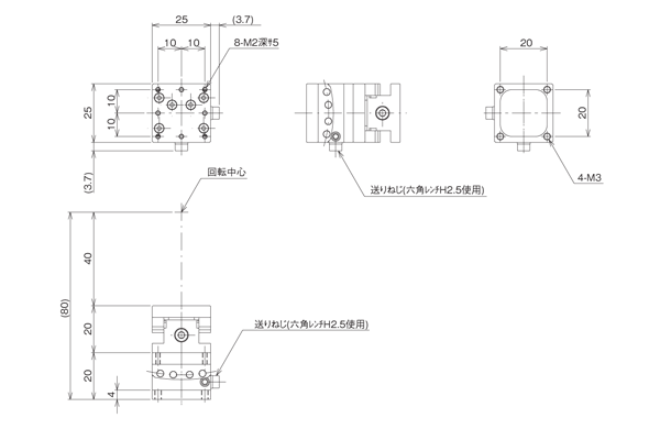
Two axis Goniometer Fix stage
Estimate separately
Travel +/-2°
Table size 25 mm x 25 mm
YESRoHS対応状況

Product documentation

Description

No clamp mechanism and not to move after positioning.
Remarkably small backlash by self-rock mechanism.
Positioning by hexagonal wrench.
*Hexagonal wrench is not standard accessory. Please prepare by user.
Good for an application not to change the position frequently such as camera and / or sensor.
Available two type of tilt stage whose rotation centers are located at different height.
By combination of these two tilt stages, two axes tilt stage with single rotation center is available.
Applicable not only for horizontal mount but also for vertical and ceiling-mount.
*Patented technology.
*Allowable load capacity is depend upon the mounting orientation. Please inquire for details.

Specifications

Table size 25 mm x 25 mm
Clamp method Clampless (natural lock)
Transfer mechanism Feed screw P=0.7 mm
Travel +/-2°
Guiding method Sliding guide
Load capacity 4.9 N (0.5 kgf)
Weight 0.06 kg
Standard accessories Mounting screw : Hexagon socket head cap screw M2, 4 screws (with hexagon wrench)
Supplemental note Patent in Japan.