Stand

TS-H-L200

1
Stand type H
Estimate separately
Direction of travel 1 direction
Travel 20 mm
YESRoHS対応状況

Product documentation

Description

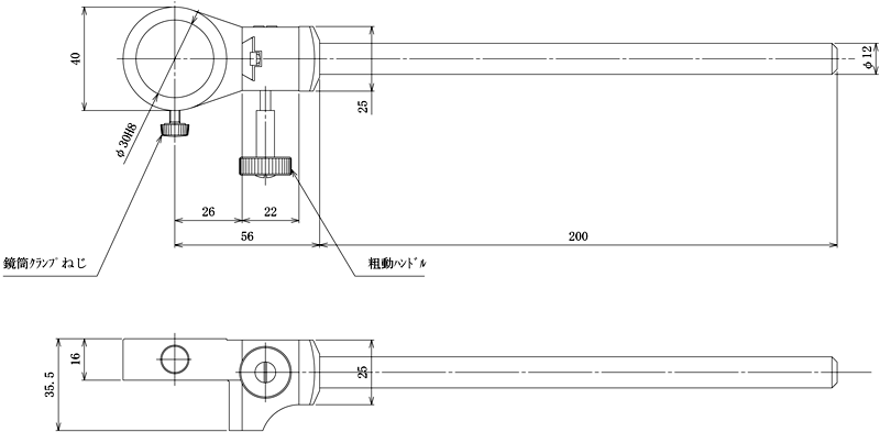
TS-H-L200 is a stand that allows you to attach and align the Tool Scope.
As a stand function,it can only move in one direction.
Pole length 200 mm.
Equipped with a microscope tube holder φ30H8 that can fix the Tool Scope.
ツールスコープ is the registered trademark of Chuo Precision Industrial Co.,Ltd. in Japan.Tool Scope is the trademark of Chuo Precision Industrial Co.,Ltd.

Specifications

Direction of travel 1 direction
Travel 20 mm
Weight 0.5 kg

Examples of applications