环境举措
站点地图
Japanese
English
Chinese
型号(半角英文数字、可部分一致)
内容
主页
产品信息
顾客支持
公司信息
下载
咨询
主页
产品信息
工作显微镜(TOOL SCOPE)
座
座
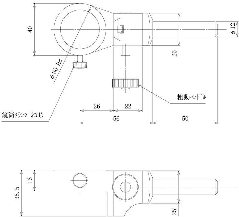
TS-H-L50
1
H 型座(杆长度 50mm)
移动方向
1方向
移动量
20mm
产品资料
▲PAGE TOP
特长
可安装工作显微镜“TOOL SCOPE”、调节位置等的座。
座的功能分为移动方向1 个或3 个的产品、可动范围大的产品、可进行微动·粗动调整的产品等。
带有可固定TOOL SCOPE 的镜筒架φ30H8。
TOOL SCOPE 是中央精机株式会社的注册商标。
▲PAGE TOP
规格
移动方向
1方向
移动量
20mm
质量
0.4kg
▲PAGE TOP
使用例
▲PAGE TOP
手动平台
自动平台・执行器
显微镜用自动化产品
自动对焦系统
光学底座
光学附件
光学元件
工作显微镜(TOOL SCOPE)
TOOL SCOPE
TOOL SCOPE C卡口型
TOOL SCOPE 目镜+C卡口型
刻度板
目镜
物镜
TV适配器
座
定心显微镜
VELNUS
照明装置
测量机
技术信息
推荐信息
产品信息
手动平台
自动平台
显微镜用自动化产品
光学元件
光学附件
光学底座
工作显微镜(TOOL SCOPE)
测量机
技术信息
顾客支持
咨询表格
常见问题(FAQ)
关于产品的保修
技术信息
下载
出口合规判定书
体系图、解说页的PDF
咨询
咨询表格
常见问题(FAQ)
公司信息
致辞(社长致辞)
公司简介
发展历程
事业所介绍
NEWS
中央精机的通知
活动介绍