X Stages

LS-149-R1

1
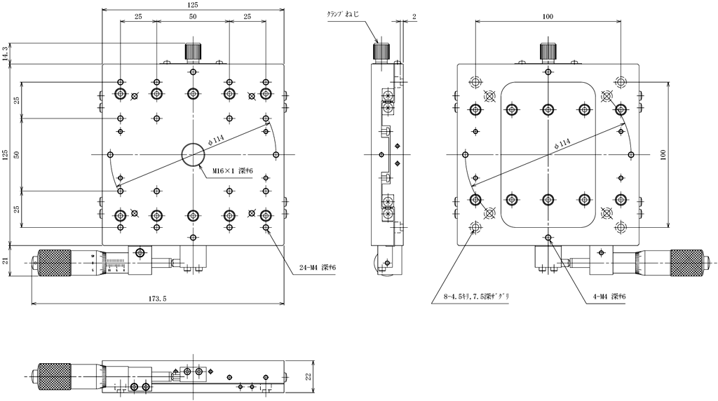
X axis slim stage 125 x 125 (Steel)
Estimate separately
Travel +/-12.5 mm
Table size 125 mm x 125 mm
YESRoHS対応状況

Product documentation

Description

Manual stage by using a V-groove and cross rollers (V-CR method) for the moving guide.
Micrometer head position is reverse side of the table.
It is widely used for precision positioning applications such as cameras, sensors, and workpieces.

Specifications

Direction of travel X axis one direction
Table size 125 mm x 125 mm
Clamp method Clamp plate
Mounting position Reverse side
Transfer mechanism MHN1-25TA (Standard micrometer head)
Travel +/-12.5 mm
Lead of actuator 0.5 mm
Scale interval Micrometer head 0.01 mm
Minimum resolution 3 μm
Guiding method V-groove and cross rollers
Travel accuracy HV Straightness (horizontal and vertical) 3 μm
Travel accuracy YP Yawing 15 sec, Pitching 15 sec
Moment rigidity Yawing rigidity 0.05 sec/N・cm, Pitching rigidity 0.05 sec/N・cm, Rolling rigidity 0.03 sec/N・cm
Parallelism 30 μm
Load capacity 245 N (25 kgf)
Weight 2.5 kg
Material / Surface treatment Steel/Hard black chrome
Standard accessories Inspection certificate
Mounting screw : Hexagon socket head cap screw M4, 4 screws

Supplementation