Career
Approaches to environmental issues
Site Map
JP
EN
CN
Search by products
Search by articles
Product Information
Customer Support
Download
Corporate Profile
Contact us
HOME
Product Information
Manual Stages
Goniometer Stages, Tilt Stages
Goniometer Stages, Tilt Stages
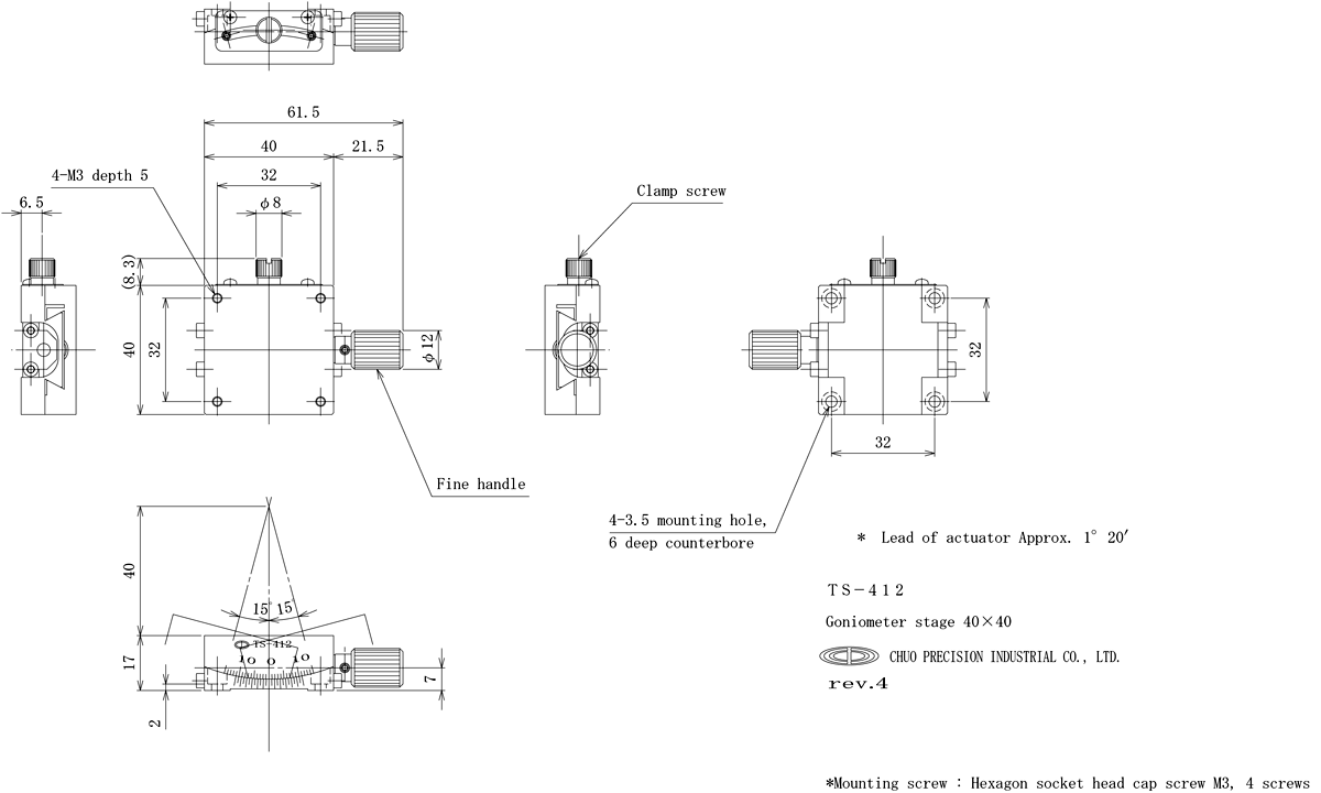
TS-412
1
Goniometer stage 40 x 40
Estimate separately
Travel
+/- 15°
Table size
40 mm x 40 mm
YES
Product documentation
YES
▲PAGE TOP
Description
One-axis tilt stage.
Combine one-axis tilt stages with different rotation center heights to form a two-axis tilt stage with the same rotation center.
Dovetail groove (D-T method) is used for the moving guide.
It is widely used for positioning applications such as cameras and sensors.
▲PAGE TOP
Specifications
Direction of travel
Tilt, one axis
Table size
40 mm x 40 mm
Clamp method
Clamp plate
Transfer mechanism
Worm gear
Travel
+/- 15°
Lead of actuator
Approx. 1°20'
Scale interval
Vernier reading 5'
Guiding method
Dovetail
Center of rotation
40 mm
Positioning accuracy of rotatation center
φ0.1 mm
Load capacity
29.4 N (3 kgf)
Weight
0.21 kg
Material / Surface treatment
Blass/Black hard chrome
Standard accessories
Inspection certificate
Mounting screw : Hexagon socket head cap screw M3, 4 screws
▲PAGE TOP
Supplementation
▲PAGE TOP
Recommended Products
Manual Stages
X Stages
XY Stages
Z Lift Stages
Z Stages
Rotary Stages
Goniometer Stages, Tilt Stages
Tilt and Rotary Stages
XZ and YZ Stages
XYZ Stages
XYZ Rotary Stages
Fix Stages
Absorption Plates
Spacer, Brackets, and Others
Motorized Stages &
Actuators
Automation Product for Microscopes
Optics
Optical Accessories
Bases & Optical Experiments
Microscopes & Tool Scopes
Measuring Instruments & Others
Technical Information
Manual Stages
Motorized Stages & Actuators
Automation Product for Microscopes
Optics
Optical Accessories
Bases & Optical Experiments
Microscopes & Tool Scopes
Measuring Instruments & Others
Technical Information
Inquiries form
Privacy Policy
FAQ's
Product Warranty
Technical Information
Application
Sample Program
Parameter Sheet
Inquiries form
Privacy Policy
FAQ's
Message from President
Corporate Profile
Company History
Locations
Organization
Affiliates & Subsidiaries
Career
News Releases
Event Guide