環境への取り組み
サイトマップ
採用情報
Japanese
English
Chinese
型番(半角英数字、部分一致可)
コンテンツ
ホーム
製品情報
お客様サポート
企業情報
ダウンロード
お問い合わせ
ホーム
製品情報
オプティカルアクセサリ
カメラホルダ
カメラホルダ
HC-31
0
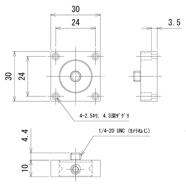
カメラ取付アダプタ 30×30 1/4インチ
¥4,800
仕様
三脚ねじ部+30mm×30mmベース板
製品資料
※寸法記載がない部分はお問い合わせください。
▲PAGE TOP
説明
三脚ねじ(呼び1/4)付きの産業用カメラや監視用カメラをステージに固定するためのアダプタプレートです。三脚ねじ(カメラねじ)をカメラなどに先にねじ込んでから、アダプタに固定します。30mm×30mmステージ用。
▲PAGE TOP
仕様
三脚ねじ仕様
呼び 1/4(1/4インチ)
仕様
三脚ねじ部+30mm×30mmベース板
質量
0.03kg
▲PAGE TOP
取り付け方法
使用例
▲PAGE TOP
おすすめ製品情報
手動ステージ
自動ステージ
・アクチュエータ
顕微鏡用自動化製品
オートフォーカスシステム
オプティカルベース
オプティカルアクセサリ
ミラーホルダ
レンズホルダ
偏光素子ホルダ
プリズムホルダ
カメラホルダ
十字動ホルダ
溝型ホルダ
ホログラム枠
テーブル
アダプタ
押さえ環セット
工具
オプティカルエレメント
工作顕微鏡(ツールスコープ)
測定関連機器
バイオイメージング
システム製品
技術情報
製品名・名称からの検索
手動ステージ
自動ステージ、アクチュエータ
顕微鏡用自動化製品
光学部品(レンズ、ミラーなど)
光学部品用ホルダ
(レンズホルダ、ミラーホルダなど)
光学機器
(除振台、レール、各種スタンドなど)
顕微鏡、ツールスコープ
測定関連機器
バイオイメージングシステム製品
技術情報
お問い合わせフォーム
個人情報の取り扱い
よくあるご質問(FAQ)
製品の保証について
技術情報
アプリケーション
サンプルプログラム
該非判定書
体系図、解説ページのPDF
旧製品(生産終了品)のCAD図、カタログPDF
旧製品(生産終了品)の取扱説明書
お問い合わせフォーム
個人情報の取り扱い
よくあるご質問(FAQ)
ごあいさつ(社長挨拶)
会社概要
沿革
事業所案内
組織概要
関連会社
採用情報
情報セキュリティ基本方針
中央精機からのお知らせ
イベント案内