環境への取り組み
サイトマップ
採用情報
Japanese
English
Chinese
型番(半角英数字、部分一致可)
コンテンツ
ホーム
製品情報
お客様サポート
企業情報
ダウンロード
お問い合わせ
ホーム
製品情報
自動ステージ・アクチュエータ
ハイグレードステージ
XYステージ
XYステージ
ALD-4011-G1L
0
XYステージ 転造ボールねじ仕様
¥164,000
移動方向
XY軸2方向
移動量
±7.5mm
ステージ面
40mm×40mm
YES
製品資料
YES
寸法記載がない部分はお問い合わせください。
▲PAGE TOP
説明
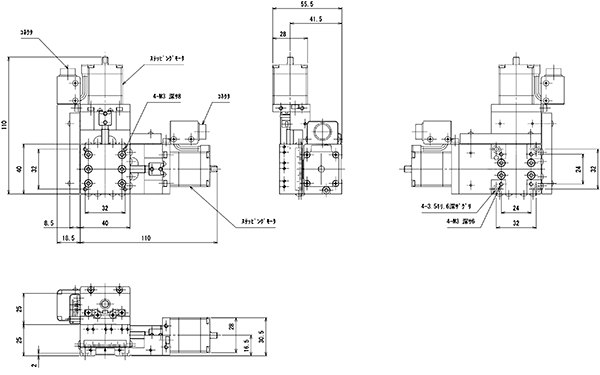
ステージ面が40mm角のステッピングモータを採用した小型の自動ステージです。
移動ガイドにHG-VCR方式を使用した高剛性ステージです。
送りねじは転造ボールねじを使用し、従来品より低価格です。
カメラ、センサ、ワークなどの精密位置決め用途に広くご利用いただけます。
▲PAGE TOP
仕様
移動方向
XY軸2方向
移動量
±7.5mm
ステージ面
40mm×40mm
使用モータ
PK523HPB相当(5線式ペンタゴン結線、0.75A/相)
分解能
0.002mm
送りねじ仕様
転造ボールねじ
送りねじリード
1mm
移動ガイド
HG-VCR(V溝とクロスローラ)
移動精度HV
真直度(水平・垂直)0.01mm
位置決め精度
0.014mm
繰り返し精度
±0.0005mm
ロストモーション
0.002mm
XY直交度
0.015mm
耐荷重
39.2N(4kgf)
質量
0.64kg
最高速度
16mm/s(8,000pps時)
主要材質/表面処理
アルミ合金/黒アルマイト梨地
リミットセンサ
ノーマルクローズ接点(ブレーク接点、B接点)動作、フォトセンサ
適合ケーブル
ACB-BTM2、ACB-BTM3、ARC-BTMA3 ※自動ステージとQT-Bシリーズとの接続用
ACB-BTM-D3、ARC-BTMA-D3 ※ドライバとの接続用(ドライバ側切り離しケーブル)
標準付属品
検査合格証
六角穴付ボルト(本体固定用)M3 4本
接続ステージ選択
(パラメータNo.4)
52
補足事項
※コントローラドライバQT-Bシリーズの接続ステージ選択(パラメータNo.4)を00にする(接続設定を使用しない)場合は、コントローラドライバのディップSWとパラメータNo.1~3を設定してください。
●リミットスイッチ:該当するディップSWをOFF
●パラメータNo.1(原点センサ論理):0(未使用)
●パラメータNo.2(原点前センサ論理):0(未使用)
●パラメータNo.3(原点復帰モード):4(リミット・Z相)または5(リミット)
▲PAGE TOP
接続方法
―接続ケーブルとコントローラ・ドライバ―
センサ動作論理とタイミングチャート
▲PAGE TOP
おすすめ製品情報
手動ステージ
自動ステージ
・アクチュエータ
ハイグレードステージ
Xステージ
XYステージ
Zステージ
回転ステージ
アライメントステージ
マイクロスキャニングステージ
□30小型ステージ
クロスローラステージ
ボールブッシュステージ
ボールウェイステージ
高精度高剛性ステージ
Z昇降ステージ
傾斜ステージ
コントローラドライバ
ドライバ
ケーブル
アクチュエータ
顕微鏡用自動化製品
オートフォーカスシステム
オプティカルベース
オプティカルアクセサリ
オプティカルエレメント
工作顕微鏡(ツールスコープ)
測定関連機器
バイオイメージング
システム製品
技術情報
製品名・名称からの検索
手動ステージ
自動ステージ、アクチュエータ
顕微鏡用自動化製品
光学部品(レンズ、ミラーなど)
光学部品用ホルダ
(レンズホルダ、ミラーホルダなど)
光学機器
(除振台、レール、各種スタンドなど)
顕微鏡、ツールスコープ
測定関連機器
バイオイメージングシステム製品
技術情報
お問い合わせフォーム
個人情報の取り扱い
よくあるご質問(FAQ)
製品の保証について
技術情報
アプリケーション
サンプルプログラム
該非判定書
体系図、解説ページのPDF
旧製品(生産終了品)のCAD図、カタログPDF
旧製品(生産終了品)の取扱説明書
お問い合わせフォーム
個人情報の取り扱い
よくあるご質問(FAQ)
ごあいさつ(社長挨拶)
会社概要
沿革
事業所案内
組織概要
関連会社
採用情報
情報セキュリティ基本方針
中央精機からのお知らせ
イベント案内