スタンド

TS-LH-L100

0
LH型スタンド レベル付(ポール長さ100mm)
¥22,000
ステージ移動方向 1方向
移動量 20mm
YESRoHS対応状況

製品資料

※寸法記載がない部分はお問い合わせください。

説明

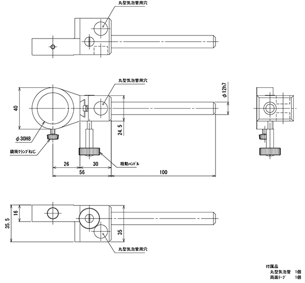
工作顕微鏡「ツールスコープ」を取り付け、位置合わせ等ができるスタンドです。
スタンドの機能としてピント合わせ方向が1つの製品です。
レベル(丸形水準器)が1ケ付属しています、作動距離の長いレンズを使用したときに光軸を水平に合わせるのに便利です。
レベル(丸形水準器)の取付箇所は上面、左右側面の3ケ所にあります。
両面テープが付属していますので光軸に対して水平または垂直の位置にレベル(丸形水準器)を固定できます。 ポール長さ100mm。
ツールスコープを固定できる鏡筒ホルダφ30H8が付いています。
ツールスコープは中央精機(株)の登録商標です。


ツールスコープの紹介動画

仕様

ステージ移動方向 1方向
移動量 20mm
移動範囲、使用方法 φ12mmポール部分をクロスクランプ、治工具で保持します。
質量 0.5kg

使用例