環境への取り組み
サイトマップ
採用情報
Japanese
English
Chinese
型番(半角英数字、部分一致可)
コンテンツ
ホーム
製品情報
お客様サポート
企業情報
ダウンロード
お問い合わせ
ホーム
製品情報
測定関連機器
オートコリメータ
オートコリメータ
LAC-MRA-S
1
測定用ミラー(A)
別途御見積
YES
製品資料
YES
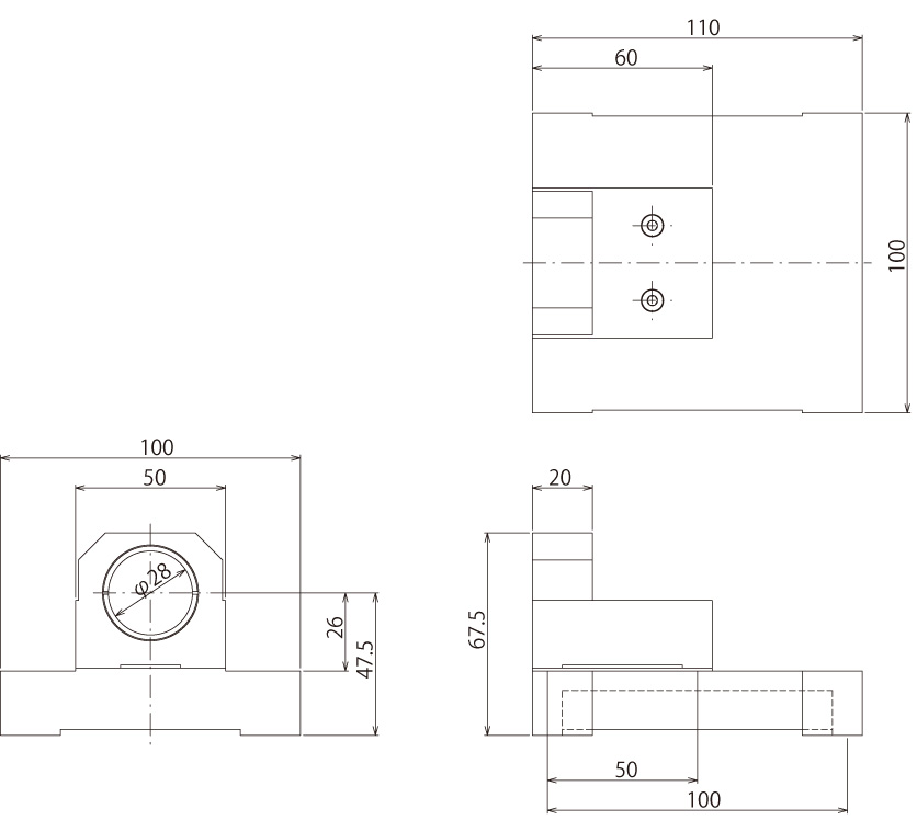
※寸法記載がない部分はお問い合わせください。
▲PAGE TOP
特長
レーザーオートコリメータのオプション品です。
LAC-MRA-Sは案内用のガイド面をもつ測定用ミラーです。
(株)ニコンソリューションズが販売元になります。
▲PAGE TOP
仕様
製品番号
LAC-MRA-S
製品名
測定用ミラー(A)
価格
別途御見積
ミラー
平面ミラー
ミラー有効径
φ28㎜
ミラー脚の間隔
50㎜(アダプタ取り外し時)
100㎜(アダプタ取り付け時)
質量
0.55㎏(アダプタ取り外し時)
1㎏(アダプタ取り付け時)
▲PAGE TOP
おすすめ製品情報
手動ステージ
自動ステージ
・アクチュエータ
顕微鏡用自動化製品
オートフォーカスシステム
オプティカルベース
オプティカルアクセサリ
オプティカルエレメント
工作顕微鏡(ツールスコープ)
測定関連機器
ストレーター
オートコリメータ
光干渉顕微鏡システム OptoNume
ナノチャンバー
バイオイメージング
システム製品
技術情報
製品名・名称からの検索
手動ステージ
自動ステージ、アクチュエータ
顕微鏡用自動化製品
光学部品(レンズ、ミラーなど)
光学部品用ホルダ
(レンズホルダ、ミラーホルダなど)
光学機器
(除振台、レール、各種スタンドなど)
顕微鏡、ツールスコープ
測定関連機器
バイオイメージングシステム製品
技術情報
お問い合わせフォーム
個人情報の取り扱い
よくあるご質問(FAQ)
製品の保証について
技術情報
アプリケーション
サンプルプログラム
該非判定書
体系図、解説ページのPDF
旧製品(生産終了品)のCAD図、カタログPDF
旧製品(生産終了品)の取扱説明書
お問い合わせフォーム
個人情報の取り扱い
よくあるご質問(FAQ)
ごあいさつ(社長挨拶)
会社概要
沿革
事業所案内
組織概要
関連会社
採用情報
情報セキュリティ基本方針
中央精機からのお知らせ
イベント案内