環境への取り組み
サイトマップ
採用情報
Japanese
English
Chinese
型番(半角英数字、部分一致可)
コンテンツ
ホーム
製品情報
お客様サポート
企業情報
ダウンロード
お問い合わせ
ホーム
製品情報
手動ステージ
フィックスステージ
回転ステージ、傾斜ステージ
回転ステージ、傾斜ステージ
TD-4051FX
1
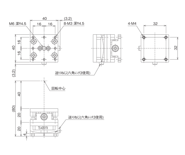
二軸ゴニオフィックスステージ 40×40
¥84,000
移動量
±3°
ステージ面
40mm×40mm
YES
製品資料
YES
寸法記載がない部分はお問い合わせください。
▲PAGE TOP
説明
クランプレスの、位置調整後に動かないステージです。
特殊機構により、バックラッシを防止しています。
位置調整は、六角レンチを使用します。※六角レンチは付属しておりません。お客様にてご用意ください。
常に位置調整が必要なワークよりも、カメラやセンサなど、位置調整後に移動させたくないワークに最適です。
水平設置だけでなく、垂直・逆さ方向の設置も可能です。
※設置方向によっては、耐荷重に制限があります。詳しくはお問い合わせください。
▲PAGE TOP
仕様
ステージ面
40mm×40mm
クランプ方式
クランプレス
移動機構/送り方式
送りねじP=0.7mm
移動量
±3°
移動量/ツマミ1回転
上軸 約46′16″、下軸 約33′25″
移動ガイド
すり合わせ
耐荷重
24.5N(2.5kgf)
質量
0.16kg
標準付属品
六角穴付ボルト(本体固定用)M3 4本
六角レンチ(本体固定用)
補足事項
特許取得済み
▲PAGE TOP
▲PAGE TOP
おすすめ製品情報
手動ステージ
フィックスステージ
Xステージ、XYステージ、Z昇降ステージ
回転ステージ、傾斜ステージ
薄型VBステージ
マイクロステージ
ねじ式ステージ
ラックピニオンステージ
ハイグレードステージ
スリムステージ、クロスローラステージ
Z昇降ステージ、Zステージ
回転ステージ
傾斜ステージ
傾斜回転ステージ
XZ、YZ、XYZステージ
吸着プレート
スペーサ・ブラケット・他
自動ステージ
・アクチュエータ
顕微鏡用自動化製品
オートフォーカスシステム
オプティカルベース
オプティカルアクセサリ
オプティカルエレメント
工作顕微鏡(ツールスコープ)
測定関連機器
バイオイメージング
システム製品
技術情報
製品名・名称からの検索
手動ステージ
自動ステージ、アクチュエータ
顕微鏡用自動化製品
光学部品(レンズ、ミラーなど)
光学部品用ホルダ
(レンズホルダ、ミラーホルダなど)
光学機器
(除振台、レール、各種スタンドなど)
顕微鏡、ツールスコープ
測定関連機器
バイオイメージングシステム製品
技術情報
お問い合わせフォーム
個人情報の取り扱い
よくあるご質問(FAQ)
製品の保証について
技術情報
アプリケーション
サンプルプログラム
該非判定書
体系図、解説ページのPDF
旧製品(生産終了品)のCAD図、カタログPDF
旧製品(生産終了品)の取扱説明書
お問い合わせフォーム
個人情報の取り扱い
よくあるご質問(FAQ)
ごあいさつ(社長挨拶)
会社概要
沿革
事業所案内
組織概要
関連会社
採用情報
情報セキュリティ基本方針
中央精機からのお知らせ
イベント案内