環境への取り組み
サイトマップ
採用情報
Japanese
English
Chinese
型番(半角英数字、部分一致可)
コンテンツ
ホーム
製品情報
お客様サポート
企業情報
ダウンロード
お問い合わせ
ホーム
製品情報
手動ステージ
ラックピニオンステージ
長作動ステージ
長作動ステージ
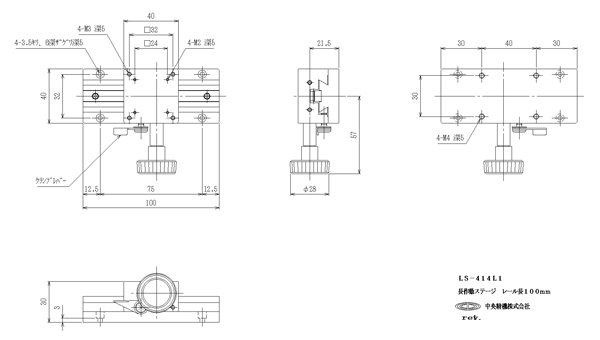
LS-414L1
1
長作動ステージ レール長100mm
¥22,000
移動量
レール上60mm
ステージ面
40mm×40mm
YES
製品資料
YES
※寸法記載がない部分はお問い合わせください。
▲PAGE TOP
説明
移動ガイドにアリ溝(D-T方式)を使用した長作動移動ユニットです。
カメラ、センサなどの位置決め用途に広く利用いただけます。
ブロックの追加が可能で、1つのレールに複数の移動ユニットが設置可能です。
任意の位置で保持力の高いレバー式クランプによる固定が可能です。
目盛1mm、長さ1000mmのメモリシールと指標シールが付属します。任意の位置への貼り付けが可能です。
▲PAGE TOP
仕様
ステージ面
40mm×40mm
クランプ方式
レバー式
操作部取付位置
片ハンドル
移動機構/送り方式
ラックピニオン式
移動量
レール上60mm
移動量/ツマミ1回転
約18mm
目量
1mm
感度
0.1mm
移動ガイド
アリ
移動精度
真直度0.05mm
耐荷重
29.4N(3kgf)
質量
0.26kg
主要材質/表面処理
アルミ合金/黒アルマイト梨地
標準付属品
六角穴付ボルト(本体固定用)M3 4本
目盛シール、指標シール
▲PAGE TOP
▲PAGE TOP
おすすめ製品情報
手動ステージ
フィックスステージ
薄型VBステージ
マイクロステージ
ねじ式ステージ
ラックピニオンステージ
Xステージ
XYステージ
Zステージ
XZステージ
XYZステージ
長作動ステージ
ハイグレードステージ
スリムステージ、クロスローラステージ
Z昇降ステージ、Zステージ
回転ステージ
傾斜ステージ
傾斜回転ステージ
XZ、YZ、XYZステージ
吸着プレート
スペーサ・ブラケット・他
自動ステージ
・アクチュエータ
顕微鏡用自動化製品
オートフォーカスシステム
オプティカルベース
オプティカルアクセサリ
オプティカルエレメント
工作顕微鏡(ツールスコープ)
測定関連機器
バイオイメージング
システム製品
技術情報
製品名・名称からの検索
手動ステージ
自動ステージ、アクチュエータ
顕微鏡用自動化製品
光学部品(レンズ、ミラーなど)
光学部品用ホルダ
(レンズホルダ、ミラーホルダなど)
光学機器
(除振台、レール、各種スタンドなど)
顕微鏡、ツールスコープ
測定関連機器
バイオイメージングシステム製品
技術情報
お問い合わせフォーム
個人情報の取り扱い
よくあるご質問(FAQ)
製品の保証について
技術情報
アプリケーション
サンプルプログラム
該非判定書
体系図、解説ページのPDF
旧製品(製造中止品)のCAD図、カタログPDF
旧製品(製造中止品)の取扱説明書
お問い合わせフォーム
個人情報の取り扱い
よくあるご質問(FAQ)
ごあいさつ(社長挨拶)
会社概要
沿革
事業所案内
組織概要
関連会社
採用情報
情報セキュリティ基本方針
中央精機からのお知らせ
イベント案内