クロスローラステージ

ALD-106-H1PC

1
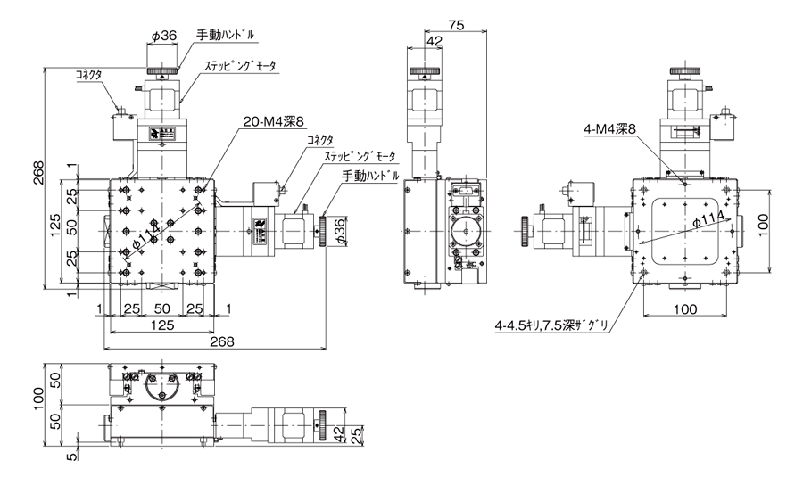
XYステージ
¥620,000
移動方向 XY軸2方向
移動量 ±30mm
ステージ面 125mm×125mm
YESRoHS対応状況
ALD-106-H1PC
ALD-106-H1PC.png

製品資料

  • 寸法記載がない部分はお問い合わせください。

説明

移動ガイドにV溝とクロスローラを使用した高精度の自動XYステージです。
移動ガイドとボールねじにはクリーンルームグリースを塗布しています。
各種センサ、ワークの自動位置決め用途に使用できます。
原点前センサおよびリミットセンサは位置の調整が可能です。

仕様

移動方向 XY軸2方向
移動量 ±30mm
ステージ面 125mm×125mm
使用モータ PK545NBW相当(5線式ペンタゴン結線、0.75A/相)
分解能 0.002mm
送りねじ仕様 ボールねじ
送りねじリード 1mm
移動ガイド V溝とクロスローラ
移動精度HV 真直度(水平・垂直)0.004mm
位置決め精度 0.006mm
繰り返し精度 ±0.0005mm
ロストモーション 0.001mm
XY直交度 0.008mm
モーメント剛性 ヨー剛性 0.2sec/N・cm
ピッチ剛性 0.15sec/N・cm
ロール剛性 0.15sec/N・cm
耐荷重 343N(35kgf)
質量 9.8kg
最高速度 16mm/s(8,000pps時)
主要材質/表面処理 鋼材/カニゼンメッキ(テーブル)、塗装(ベース)
原点センサ ノーマルオープン接点(メイク接点、A接点)動作、フォトセンサ
原点前センサ ノーマルクローズ接点(ブレーク接点、B接点)動作、フォトセンサ
リミットセンサ ノーマルクローズ接点(ブレーク接点、B接点)動作、フォトセンサ
適合ケーブル ACB-BTD2、ACB-BTD3、ARC-BTD3
標準付属品 検査合格証
六角穴付ボルト(本体固定用)M4 4本
接続ステージ選択
(パラメータNo.4)
14
補足事項 ※コントローラドライバQT-Bシリーズの接続ステージ選択(パラメータNo.4)を00にする(接続設定を使用しない)場合は、コントローラドライバのディップSWとパラメータNo.1~3を設定してください。
●リミットスイッチ:該当するディップSWをOFF
●パラメータNo.1(原点センサ論理):1(NO)
●パラメータNo.2(原点前センサ論理):2(NC)
●パラメータNo.3(原点復帰モード):0(原点・原点前・Z相)、1(原点・原点前)、4(リミット・Z相)または5(リミット)

接続方法 ―接続ケーブルとコントローラ・ドライバ―

センサ動作論理とタイミングチャート

STAGE-CNT-AX.png
CHART01