環境への取り組み
サイトマップ
採用情報
Japanese
English
Chinese
型番(半角英数字、部分一致可)
コンテンツ
ホーム
製品情報
お客様サポート
企業情報
ダウンロード
お問い合わせ
ホーム
製品情報
オプティカルベース
除振台
卓上除振台
卓上除振台
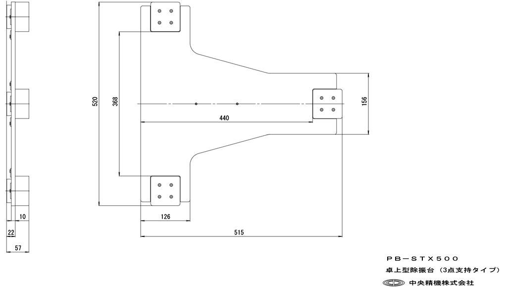
PB-STX500
1
卓上型除振台(3点支持タイプ)
\245,000(送料別途)
定盤寸法(幅×奥行き)
368mm×440mm
製品資料
▲PAGE TOP
説明
超軽量の3点支持タイプ、空気源不要のメンテナンスフリー(コイルスプリングとゴムを組み合わせたST-Xユニット採用)の卓上型除振台です。
空気ばねに匹敵する除振性能を発揮します。
有効スペースを確保し、自由なレイアウトを実現します。
従来品と比較し最大40mm低くなった超低床で顕微鏡観察に最適です。
▲PAGE TOP
仕様
高さ
22mm(無負荷時)
定盤寸法(幅×奥行き)
368mm×440mm
搭載可能質量
10~35kg
固有振動数 水平
約2.7Hz
固有振動数 垂直
約5.5Hz
上面材質
A5052(アルミ合金)、無電解ニッケルメッキ
空気源
不要
質量
5kg
補足事項
用途:顕微鏡
▲PAGE TOP
テクニカルデータ
補足
▲PAGE TOP
おすすめ製品情報
手動ステージ
自動ステージ
・アクチュエータ
顕微鏡用自動化製品
オートフォーカスシステム
オプティカルベース
除振台
卓上除振台
デスク型除振台
防振ゴム式精密除振台
空気バネ式精密除振台
アクティブ除振台ユニット
コンプレッサ
定盤、ブレッドボード
組立式暗室
レール
スタンド
ポール、バー
クロスクランプ
アダプタ、スペーサ
マグネット
工具
絞り・スリット・ピンホール
レーザー関連製品
オプティカル実験セット
オプティカルアクセサリ
オプティカルエレメント
工作顕微鏡(ツールスコープ)
測定関連機器
バイオイメージング
システム製品
技術情報
製品名・名称からの検索
手動ステージ
自動ステージ、アクチュエータ
顕微鏡用自動化製品
光学部品(レンズ、ミラーなど)
光学部品用ホルダ
(レンズホルダ、ミラーホルダなど)
光学機器
(除振台、レール、各種スタンドなど)
顕微鏡、ツールスコープ
測定関連機器
バイオイメージングシステム製品
技術情報
お問い合わせフォーム
個人情報の取り扱い
よくあるご質問(FAQ)
製品の保証について
技術情報
アプリケーション
サンプルプログラム
該非判定書
体系図、解説ページのPDF
旧製品(生産終了品)のCAD図、カタログPDF
旧製品(生産終了品)の取扱説明書
お問い合わせフォーム
個人情報の取り扱い
よくあるご質問(FAQ)
ごあいさつ(社長挨拶)
会社概要
沿革
事業所案内
組織概要
関連会社
採用情報
情報セキュリティ基本方針
中央精機からのお知らせ
イベント案内