環境への取り組み
サイトマップ
採用情報
Japanese
English
Chinese
型番(半角英数字、部分一致可)
コンテンツ
ホーム
製品情報
お客様サポート
企業情報
ダウンロード
お問い合わせ
ホーム
製品情報
オプティカルベース
クロスクランプ
クロスクランプ
CH-20-20
1
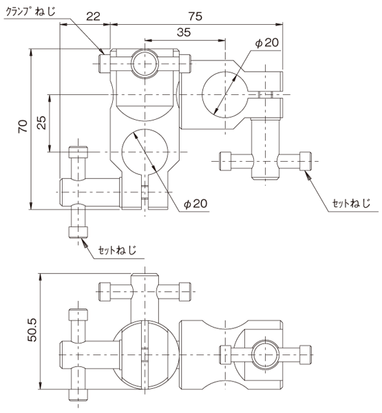
重荷重用回転式クロスクランプ φ20-φ20用
¥14,000
クランプ径
φ20mm-φ20mm
YES
製品資料
YES
※寸法記載がない部分はお問い合わせください。
▲PAGE TOP
説明
ホルダのシャフトやポールを自由な交差角で保持するために使用します。重荷重用なのでセットねじで押さえつける方式ではなく、スリワリを締め込んで強く固定できる固定方式です。φ20mm-φ20mmの組み合わせ。
▲PAGE TOP
仕様
クランプ径
φ20mm-φ20mm
質量
0.22kg
▲PAGE TOP
▲PAGE TOP
おすすめ製品情報
手動ステージ
自動ステージ
・アクチュエータ
顕微鏡用自動化製品
オートフォーカスシステム
オプティカルベース
除振台
定盤、ブレッドボード
組立式暗室
レール
スタンド
ポール、バー
クロスクランプ
アダプタ、スペーサ
マグネット
工具
絞り・スリット・ピンホール
レーザー関連製品
オプティカル実験セット
オプティカルアクセサリ
オプティカルエレメント
工作顕微鏡(ツールスコープ)
測定関連機器
バイオイメージング
システム製品
技術情報
製品名・名称からの検索
手動ステージ
自動ステージ、アクチュエータ
顕微鏡用自動化製品
光学部品(レンズ、ミラーなど)
光学部品用ホルダ
(レンズホルダ、ミラーホルダなど)
光学機器
(除振台、レール、各種スタンドなど)
顕微鏡、ツールスコープ
測定関連機器
バイオイメージングシステム製品
技術情報
お問い合わせフォーム
個人情報の取り扱い
よくあるご質問(FAQ)
製品の保証について
技術情報
アプリケーション
サンプルプログラム
該非判定書
体系図、解説ページのPDF
旧製品(製造中止品)のCAD図、カタログPDF
旧製品(製造中止品)の取扱説明書
お問い合わせフォーム
個人情報の取り扱い
よくあるご質問(FAQ)
ごあいさつ(社長挨拶)
会社概要
沿革
事業所案内
組織概要
関連会社
採用情報
情報セキュリティ基本方針
中央精機からのお知らせ
イベント案内